Gestaltung von Schrauben

Hier wird behandelt, wie Schrauben nach Norm gestaltet werden müssen.

Metrische Schrauben

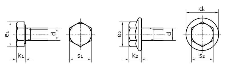
Sechskantschrauben

Zeichnung zu Gestaltung von Schrauben
Zeichnung zu Gestaltung von Schrauben


Zylinderschrauben

Zeichnung zu Gestaltung von Schrauben
Zeichnung zu Gestaltung von Schrauben

Senkschrauben

Zeichnung zu Gestaltung von Schrauben
Zeichnung zu Gestaltung von Schrauben