Oberflächenbeschaffenheitsangaben in technischen Zeichnungen
Die Angabe der Oberflächenbeschaffenheit in technischen Zeichnungen gibt an, ob ein Element bearbeitet werden muss oder nicht und wenn ein Element bearbeitet ist, wie es bearbeitet werden muss.
Definition & Grundlagen
Die Angabe der Oberflächenbeschaffenheit definiert, ob eine Fläche oder ein ganzes Bauteil bearbeitet werden muss oder nicht. Man kann das auch offen lassen und die Oberflächenbeschaffenheit generell deklarieren. Wenn eine Bearbeitung gefordert ist, kann z. B. Rauheit und Bearbeitungsverfahren definiert werden. Auch Beschichtungen können so angegeben werden.
Theorie & Hintergrund
Grundsymbole
Das Grundsymbol kann angewendet werden, um eine Oberflächenbeschaffenheit zu deklarieren. Es sagt aber nichts darüber aus, ob die Oberfläche bearbeitet ist oder nicht.

Ist Materialabtrag gefordert, muss eine Querlinie zum Grundsymbol hinzugefügt werden. Eine Fläche mit Materialabtrag ist z. B. eine gefräste oder gedrehte Fläche.

Will man, dass Materialabtrag unzulässig ist, muss dem Grundsymbol ein Kreis hinzugefügt werden.

Möchte man zusätzliche Angaben machen, wie z. B. Rauheit und Fertigungsverfahren, muss dem Grundsymbol mit Querlinie am längeren Schenkel eine weitere Querlinie beigefügt werden. Man redet dabei vom vollständigen Symbol.
Folgende Zusatzangaben sind möglich:
Fertigungsverfahren, Beschichtung oder Behandlung
Oberflächenkenngrösse
Zweite Oberflächenkenngrösse
Oberflächenrillen und Oberflächenausrichtung
Angabe identischer Spezifikationen für mehrere Geometrieelemente

Fertigungsverfahren, Beschichtung oder Behandlung
Um die Funktion einer Oberfläche gewährleisten zu können, müssen Bearbeitungsverfahren, Beschichtung und Behandlung definiert werden können. Eine gehonte Oberfläche z. B. hat andere Eigenschaften als eine geriebene. Der Kreuzschliff des hohnens begünstigt einen Schmierfilm.

Bei Oberflächenbehandlungen, wie z. B. dem Induktionshärten wird oftmals die Bearbeitung in zwei Schritten angegeben, da die Oberfläche nach dem Härten nochmals geschliffen werden muss. Dies gilt auch oftmals für Beschichtungen.

Oberflächenkenngrössen
Es gibt zwei verschiedene Möglichkeiten, wie die Rauwerte angegeben werden können. Auf der einen Seite gibt es den Rauwert Ra und auf der anderen Seite den Rauwert Rz. Die beiden Werte definieren, wie die Rauheit gemessen werden muss. Als Basis zur Ermittlung der Rauwerte dient die Mittellinie des Rauheitsprofils. Die Mittellinie des Rauheitsprofils befindet sich auf einer bestimmten Messstrecke dort, wo die Fläche der Abschnitte oberhalb der Linie gleich ist, wie die Fläche der Krater auf der anderen Seite.
Der Rauwert Ra ist die rechnerische Mittelwert der Rauheitsprofilabweichung oberhalb der Mittellinie. Das heisst die rechteckige Fläche, welche man aus Messstrecke und Ra berechnen kann ist gleich wie die Fläche der Abschnitte oberhalb der Mittellinie addiert mit den Flächen der Krater unterhalb der Mittellinie. Ra befindet sich aber immer oberhalb der Mittellinie.
Der Rauwert Rz beschreibt die Distanz zwischen der tiefsten Stelle der Messstrecke und der höchsten Stelle der Messstrecke bezogen auf die Mittellinie.

Oberflächenrillen und Oberflächenausrichtung
Angabe identischer Spezifikationen für mehrere Geometrieelemente
Wenn mehrere Geometrieelemente die gleichen Oberflächenbeschaffenheitsangaben haben sollen, kann man das wie folgt deklarieren:

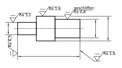
Angabe auf Zeichnungen
In dieser Zeichnung sind alle Angaben zur Oberflächenbeschaffenheit separat angegeben. Diese Methode benötig am meisten Platz auf der Zeichnung und kann sie unübersichtlich machen. Das ist sinnvoll, wenn man sehr viele verschiedene Angaben hat. Die Angaben können sich auf Flächen oder Bemassungslinien befinden. Man kann die Angaben auch mit Pfeilen machen, welche wiederum auf Flächen oder Bemassungslinien zeigen.

Hier werden Angaben zusammengefasst. Zusätzlich wird angegeben, dass die Flächen erst nach einem bestimmten Fertigungsschritt bearbeitet werden sollen. Bei einer Fläche wurde angegeben, dass sie nicht bearbeitet werden darf.

Auch hier werden Angaben zusammengefasst. Man hat hier aber zwei verschiedene Angaben, die zusammengefasst werden. Daher müssen diese mit einem Buchstaben wie z. B. "x" und "y" gekennzeichnet werden, damit man sie unterscheiden kann. Zusätzlich hat man die Angabe, dass alle Flächen, bei denen die Bearbeitung nicht definiert ist, mit Ra 12,5 bearbeitet werden müssen.

Bei dieser Zeichnung ist zu sehen, dass alle Flächen mit Ra 6,3 bearbeitet werden müssen. Ausgenommen sind die Angaben in der Klammer.

Oberflächenrauheiten nach Herstellungsverfahren
Folgende Werte sind Orientierungs- oder Erfahrungswerte und können von der Praxis abweichen.
